Начинающим судомоделистам
- Подробности
- Автор: Дмитрий Калмыков
- Просмотров: 9291

РУКОВОДИТЕЛЮ СУДОМОДЕЛЬНОГО КРУЖКА:
♦ Методическое пособие по судомодельному спорту
Если Вы решили сами построить модель парусника, но не знаете, с чего начать, рекомендую Вам прочитать эту страницу и воспользоваться приведенными здесь чертежами небольшой голландской яхты. Согласитесь, корабль-прототип совсем несложный, не имеет резного декора, но вместе с тем его силуэт с боковыми швертами и невысоким павильоном не лишен элегантности, присущей всем малым парусным судам Голландии. Мачта имеет две пары вант и штаг, который заканчивается большим пятидырочным юферсом, непосредственно принайтовленным к штевню. На стеньге установлен флюгер. Парусное вооружение яхты состоит из грота-триселя, фока-стакселя и летучего кливера. Гафель значительно короче, чем на других гафельных судах, и имеет изогнутую форму. На ноке бушприта находится гюйс-шток.
Рекомендации по постройке модели голландской яхты
Корпус модели проще всего делать долбленым из бруска липы - исключительно мягкое, удобное в обработке дерево! Выструганный и выдолбленный корпус тщательно зашкуривают, приклеивают к нему киль, ахтерштевень, форштевень, бархоут и планширь. Деревянную обшивку можно имитировать с помощью чертежного измерителя, слегка процарапывая им параллельные бархоуту линии, либо делать из тонких деревянных реек.
Не забывайте, что палубы на кораблях драились и всегда были светлого цвета, поэтому для их изготовления лучше использовать светлые породы дерева (липу, березу, клен). Так как швы между досками палубы заливались смолой, при изготовлении наборной палубы из отдельных реек клей необходимо тонировать черным цветом (например, ПВА - черной тушью). Если Вы пользуетесь цианоакрилатом, можно прокрасить краской торцы вклеиваемых реек. Если для палубы используется тонкая фанера, то ее следует расчертить острым твердым карандашом.
Окраска модели
Корпус ниже ватерлинии, а также средняя полоса на планшире (в районе каюты) красятся в белый цвет. Надводный борт, штевни, руль, фальшборт изнутри, двери каюты, битенги и световой люк тонируются морилкой в коричневый цвет либо изготавливаются из более темных сортов древесины (яблоня, груша). Рангоут (мачта, бушприт, гик, гафель), стенки каюты, переборки на юте и баке, утки, люк должны быть выполнены из дерева еще более темного тона (орех, красное дерево). Бархоут и планширь лучше покрасить черной тушью.
Модель тьялка - тоже неплохой выбор
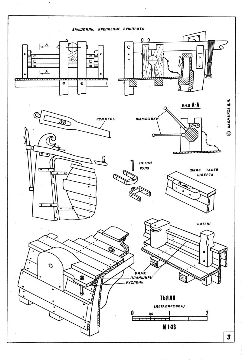
Тьялк - один из самых распространенных типов малых голландских судов. Обладая малой осадкой, плоским дном и водоизмещением 30-70 тонн, он считался хорошим грузовым судном, вполне пригодным для речного судоходства и плавания в прибрежных водах Фризландии. Из-за плоского днища корабль снабжали боковыми швертами.
Тьялки, которым на своем пути не раз случалось проходить под мостами, имели наклоняемые мачты. Шпор мачты помещался между двумя "мачтовыми щеками", которые шли от киля и были на несколько футов выше палубы; в них мачта могла поворачиваться на железном стержне. Перед мачтой на палубе лежала пара брусьев, удерживающих мачту спереди. Гнездо, в котором находилась мачта, называлось кокером, или "мачтовым ящиком". На задней стороне кокера был установлен стальной штырь для опоры мачты сзади. Талями фока-штага мачту при необходимости заваливали или поднимали. Для облегчения этой работы применяли специальные "спусковые" деревья. Для подъема мачты и швертов использовали лебедки. Кроме шпринтового грота, тьялк нес шпринтовый топсель, фока-стаксель и летучий кливер. Гюйс-шток устанавливали обычно на руле.
Чертеж тьялка:
♦ Лист 1
♦ Лист 2
♦ Лист 3
Окраска модели
Подводная часть корпуса тьялка окрашивается в белый или серо-желтый цвет, надводный борт - в коричневый. Бархоут, планширь, русленя, юферсы должны быть темно-коричневыми (почти черными). Штевни, руль, фальшборт изнутри, переборки и блоки выполняются из несветлых пород дерева (яблоня, груша) либо тонируются для придания им коричневатого оттенка. Для изготовления рангоута, люков, двери в переборке, брашпиля, лебедок, битенгов, уток, кофель-нагельных планок выбирается еще более темная древесина (например, орех).
Материалом для значительной части деталировки - петель руля, швертов, оковок на мачтах, рымов, вант-путенсов, гаков, стопоров и шестерен лебедок и брашпиля, а также штырей и осей кокера - служит вороненая сталь. Возможна имитация металлической поверхности окраской.
Для проводки стоячего такелажа (ванты, штаг) используйте черные шелковые или пропитанные нитролаком (чтобы устранить ворс) хлопчатобумажные нитки. Бегучий такелаж изготавливается из более тонких серо-коричневых ниток, схожих с цветом натуральных волокон. Флаг и вымпел имеют оранжево-бело-голубую окраску (оранжевая полоса сверху).
© 1995 Дмитрий Калмыков
Последние обновления
Войти
Copyright © 2002-2026 Эксклюзивные модели кораблей. Персональный сайт Дмитрия Калмыкова, Минск
Разработка и сопровождение сайта - И.Калмыкова




